
विस्तृत उत्पाद विवरण
| लाभ: | तीव्र गति | लेबलिंग गति: | 60-200pcs / मिनट |
|---|---|---|---|
| समारोह: | अहेसिव स्टीकर लेबलिंग | सामग्री: | स्टेनलेस स्टील |
| बोतल प्रकार: | स्वचालित गोल बोतल लेबलर जार | आवेदन: | राउंड कंटेनर के सभी प्रकार के लिए |
| पीएलसी ब्रांड: | मित्सुबिशी (जापान) | इमदादी लेबलिंग मोटर: | डेल्टा (ताइवान) |
रेड वाइन लेबलिंग मशीन ग्लास वाइन बोतल लेबलिंग मशीन, पीएलसी नियंत्रण प्रणाली मित्सुबिशी ब्रांड लेबलिंग मशीन
विशेषताएं:
1. ऑपरेशन: पीएलसी नियंत्रण प्रणाली लेबलिंग मशीन को संचालित करना आसान बनाती है
2. सामग्री: लेबलिंग मशीन का मुख्य शरीर SUS304 स्टेनलेस स्टील से बना है
3. कॉन्फ़िगरेशन: हमारे लेबलिंग मशीन अच्छी तरह से ज्ञात जापानी, जर्मन, अमेरिकी, कोरियाई या ताइवान ब्रांड भागों को अपनाते हैं
4. लचीलापन: ग्राहक प्रिंटर और कोड मशीन को जोड़ने के लिए चुना जा सकता है; converyer या नहीं के साथ कनेक्ट करने के लिए चुना जा सकता है।
तकनीकी पैमाने:
| नाम | उच्च गति आस्तीन के लिए स्वचालित दौर शराब की बोतल दौर बोतल लेबलिंग मशीन हटना |
| लेबलिंग गति | 60-350pcs / मिनट |
| वस्तु की ऊँचाई | 30-350mm |
| वस्तु की मोटाई | 20-120mm |
| लेबल की ऊँचाई | 5-180mm |
| लेबल की लंबाई | 25-300mm |
| लेबल रोलर अंदर व्यास | 76 मिमी |
| लेबल रोलर बाहर व्यास | 420 |
| लेबलिंग की सटीकता | ± 1 मिमी |
| बिजली की आपूर्ति | 220V 50 / 60HZ 3.5KW |
| प्रिंटर की गैस की खपत | 5 किग्रा / एम 2 (यदि कोडिंग मशीन जोड़ें) |
| लेबलिंग मशीन का आकार | 2800 (एल) × 1650 (डब्ल्यू) × 1500 (एच) मिमी |
| लेबलिंग मशीन का वजन | 180 किलो |
विन्यास
| नहीं। | अंश | ब्रांड | मात्रा |
| 1 | पीएलसी | मित्सुबिशी (जापान) | 1 |
| 2 | मुख्य कनवर्टर | DANFOSS (डेनमार्क) | 1 |
| 4 | HMI | WEINVIEW (ताइवान) | 1 |
| 5 | इमदादी लेबलिंग मोटर | डेल्टा (ताइवान) | 1 |
| 6 | इमदादी लेबलिंग मोटर चालक | डेल्टा (ताइवान) | 1 |
| 7 | कन्वेयर मोटर | हरियाणा (ताइवान) | 1 |
| 8 | कन्वेयर मोटर गियरबॉक्स | हरियाणा (ताइवान) | 1 |
| 9 | विभक्त बोतल मोटर | GPG (ताइवान) | 1 |
| 10 | विभक्त बोतल मोटर गियरबॉक्स | GPG (ताइवान) | 1 |
| 11 | मोटर स्पीड गवर्नर को अलग करने वाली बोतल | GPG (ताइवान) | 1 |
| 12 | बोला मोटर | GPG (ताइवान) | 1 |
| 13 | स्पोक मोटर गियरबॉक्स | GPG (ताइवान) | 1 |
| 14 | ऑब्जेक्ट मैजिक आई का पता लगाता है | OMRON (जापान) | 1 |
| 15 | प्रकाशित तंतु | OMRON (जापान) | 1 |
मशीन विस्तार:

32 मुख्य लेबलिंग मशीन भागों

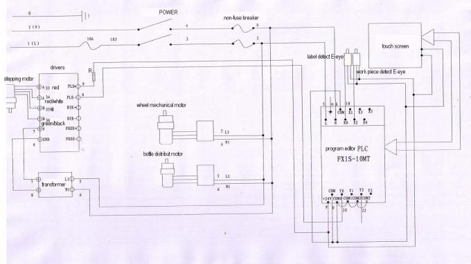
सर्किट आरेख

सामान्य प्रश्न:
1 .बेल में बुलबुले उठते हैं
कारण:
Off छिलका उतारना अच्छा नहीं / सपाट नहीं;
② हल बोर्ड अच्छा नहीं है / फ्लैट नहीं है;
Line लेबलिंग आउटपुट बहुत तेज़ है या असेंबली लाइन की गति बहुत कम है;
④ लेबल को बहुत ढीला खींचा गया है
समाधान:
; बोर्ड से एक फ्लैट छील बदलें;
Pl एक फ्लैट हल बोर्ड बदलें;
Down लेबलिंग आउटपुट गति को धीमा करें या असेंबली लाइन की गति बढ़ाएं;
④ लेबल बेल्ट को ठीक से प्रभावित करें।
टैग: औद्योगिक लेबलिंग मशीन, कांच की बोतल लेबलिंग मशीन









